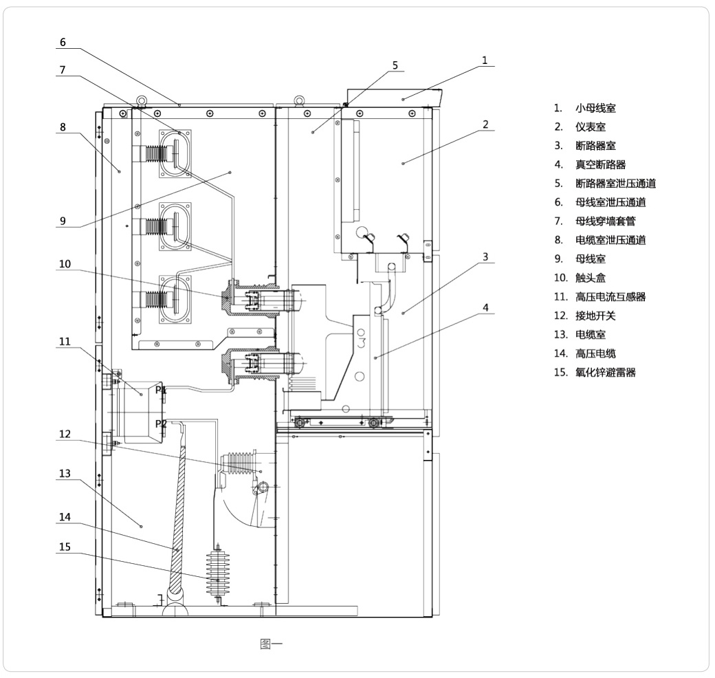
产品概述:
KYN28-12铠装移开式交流金属封闭开关设备适用于3.6-12kV三相交流50Hz电网,作为接受和分配电能,并对电路实行控制、监测和保护之用。可用于单母线、单母线分段系统或双母线系统。开关设备符合IEC298《额定电压1kV以上52kV及以下交流金属封闭开关设备和控制设备》、IEC694《高压开关和控制设备共用条款》,我国《GB3906 3-35kV交流金属封闭开关设备》及DIA04《户内交流高压开关柜订货条件》,德国DIN.VDE0670《额定电压1kV以上的交流开关设备》等标准的要求。并具有完善、可靠的防误操作功能。产品型号说明

| ① | 铠装移开式金属封闭开关设备 |
| ② | 移开式 |
| ③ | 使用条件:(户内) |
| ④ | 设计序号 |
| ⑤ | 额定电压 (kV) |
| ⑥ | 一次方案号 |
| ⑦ | 操作机构特征代号,D:电磁;T 弹簧 |
| ⑧ | 额定电流 (A) |
| ⑨ | 额定短路开断电流 (kA) |
产品特点
KYN28-12铠装移开式交流金属封闭开关设备(以下简称开关柜)可取代各种老型的金属封闭开关设备,如KYN1-12,JYN2-12等系列产品。其产品具有以下明显优点:| 项目 | 单位 | 参数 | |
| 额定电压 | kV |
12 |
|
| 额定频率 | Hz |
50 |
|
| 主母线额定电流 | A |
630,1250,1600,2000,2500,3150 |
|
| 额定电流 | A |
630,1250,1600,2000,2500,3150 |
|
| 地接回路额定短时耐受电流(2S) | kA |
13.9,17.4,21.8,27.4,34.8 |
|
| 主回路额定短时耐受电流 (4S) | kA |
16,20,25,31.5,40 |
|
| 额定峰值耐受电流 ( 峰值 ) | kA |
40,50,63,80,100 |
|
| 额定短路开断电流 | kA | 25,31.5,40 |
|
| 额定绝缘水平 | 1min 工频耐受电压 | kV |
相间及地:42;断口:48 |
| 雷电冲击耐受电压 | kV |
相间及地:75;断口:48 |
|
| 防护等级 | 外壳为 IP4X |
||
