产品概述:
该负荷开关为充气柜专用负荷开关,产品为旋转刀片结构,采用灭弧栅灭弧,性能可靠,具有较好的绝缘性能及开断性能。 产品性能符合GB1985-2004《高压交流隔离开关和接地开关》E3-M2级隔离开关的要求。使用环境条件
● 海拔高度不超过2000m,震裂度不超过8度;
● 周围空气温度低于+50℃,不低于-40℃,相对温度日平均不大于95%,月平均不大于90%;
● 经常性剧烈震动的安装场所,明显影响机构性能的水蒸汽、气体、化学腐蚀性沉积、盐雾、灰尘污垢及其火灾,爆炸危险的安装场所不适使用;
● 额定SF6气体压力0.04MPa,SF6气体符合GB/T12022-2014《工业六氟化硫》要求。
主要技术参数

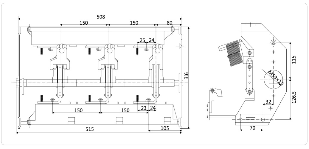
外形及安装尺寸图
