Two grid power

两网电力设备

CZB1系列微型断路器

产品概述:

CZB1系列微型断路器,适用于照明配电系统(C型)或电动机的配电系统(D型)。主要用于交流50Hz,额定电压至230V、400V,额定电流1A~63A的线路中起过载、短路保护作用,同时也可以在正常情况下不频繁地分断电器装置和照明线路。 符合标准:GB10963.1、IEC 60898-1。

产品型号说明

企业代号
微型断路器
设计序号
壳架等级额定电流
极数 1、2、3、4
瞬时脱扣特性:C 型配用电;D 型电动机保护
额定电流 (A)


正常工作条件
● 环境温度:-5℃~+40℃;24h内平均值不超过35℃;
● 安装地点:海拔不超过2000m。


主要参数
主要规格:按额定电流In分:1、2、3、4、5、6、10、16、20、25、32、40、50、63A;
极数:a.单极b.二极c.三极d.四极;
按断路器瞬时脱扣的型式分:a.C型(5In~10In) b.D型(10In~16In);
额定运行短路分断能力;
机械电气寿命:a.电气寿命:不低于6000次b.机械寿命:不低于10000次。

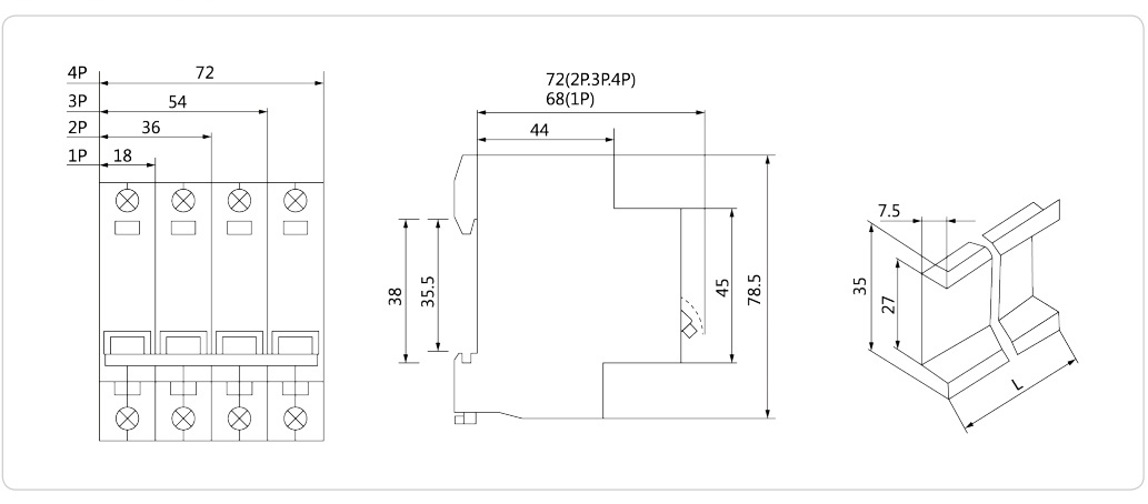
外形及安装尺寸(mm)

联系方式
浙江QM球盟会电气股份有限公司
地址:浙江省乐清市乐清经济开发区纬十六路159号
服务热线:400-826-9123
网址:www.