产品概述:
CZW1 系列智能型万能式断路器用于控制和保护低压配电网络。一般安装在低压配电柜中做主开关起总保护作用。其技术性能已达到了当代国际上同类型产品先进水平。 1、交流额定电流 630A-6300A; 2、短路分断能力 80kA-120kA( 有效值 ); 3、额定工作电压 AC690V 及以下; 4、具有 3 极和 4 极: 5、抽屉式和固定式; 6、可倒进线安装; 7、多种智能控制器,提供不同功能; 8、执行 IEC60947-2、GB/T14048.2 的标准。型号及其含义

| ① | 企业代号 |
| ② | 万能式断路器 |
| ③ | 设计代号 |
| ④ | 断路器框架等级电流 |
| ⑤ | 极数(三极不写出) |
1、周围空气温度为 -5℃ ~+40℃,且 24h 的平均值不超过 +35℃(特殊订货的除外);
2、安装地点的海拔不超过 2000m;
3、安装地点的空气相对湿度在最高温度为 +40℃时不超过 50%;在较低温皮下可以允许有较高的相对湿度,例如 20℃时达 90%。对由于温度变化偶尔产生的凝露应采取特殊的措施;
4、污染等级为 3 级;
5、断路器主电路及欠电压脱扣器线圈、电源变压器初级线圈的安装类别为Ⅳ,其余辅助电路、控制电路安装类别为Ⅲ;
6、断路器应按说明书安装要求安装。断路器的垂直斜度不超过 5°;
7、断路器安装在柜体小室内,防护等级达 IP40;加装门框,防护等级达 IP54。
结构简介


结构特点

主要技术指标

智能型控制器的选择
◇ 智能型控制器按功能分有四种类型:
2M 电流数码管显示,按键调整;
2H 电流数码管显示,按键调整,可通讯;
3M 电流液晶屏显示,按键调整;
3H 电流液晶屏显示,按键调整,可通讯;
◇ CZW1-2M

◇ CZW1-2H

◇ CZW1-3M

◇ CZW1-3H

智能型控制器特性
◇ 过电流保护特性
过电流保护由相线过电流保护和中性线过电流保护(三扭断路器无)组成,相线过电流保护电流、时间参数一般由制造厂用户订货要求整定 ( 用户自已也可自行整定);中性线过电流保护电流、时间参数按比例自动跟踪相线整定值。比例数由用户选择,即 N 极额定电流为50% 或 100%In 两种。

◇ 接地故障保护 ( 可关断 - OFF)

◇ 负载监控

◇ 过载长延时反时限动作特性

◇ 短路短延时动作特性
在低倍数电流时为反时限特性:当过载电流大于 8lr1 时自动转换为定时限特性。短延时 l2t 特性可“OFF”.此时呈定时限特性。

◇ 短路瞬时动作特性 ( 可 OFF)

◇ 接地故障保护电路

◇ 负载监控动作特性 (M、H 型配置,选项 )

◇ 如用户订货时无特殊要求,智能控制器出厂整定值按如下配置:

◇ 显示功能

◇ 试验功能

◇ 报警及指示功能

◇ MCR 功能
断路器在合闸过程中或控制器在通电初始化时,遇到短路短延时故障能立即转为瞬时分闸。
◇ 故障记忆功能(2M、2H、3M、3H 型配置)
断路器遇故障分断后,智能控制器能显示出故障类别、故障相序及故障电流值、分断动作时间值。
断路器功耗及降容系数
◇ 功耗 ( 环境温度 +40℃ )
CZW1-2000 三极 360VA
CZW1-3200 三极 900VA
CZW1-4000 三极 1225VA
CZW1-6300 三极 1250VA
CZW1-2000 四极 420VA
CZW1-3200 四极 1220VA
CZW1-4000 四极 1240VA
降容系数

注:周围空气温度与允许持续工作电流关系(在各种环境温度下,实测断路器进出线端温度达到 110℃为基准)。

接地故障保护电路


电器附件
直流电源模块(智能控制器附件)

用于智能控制器电压为直流 220V 时.通过该模块提供给智能控制器作辅助电源。
1、欠电压脱扣器由脱扣器线圈和控制单元组成;
2、欠电压脱扣器动作分为瞬时动作和延时动作两种;
3、 欠电压延时脱扣器延时时间常规分 0.3s、1s、3s、5s 四种.5s 以上,由用户与工厂协商解决 ,延时准确度 ±10%;
4、在 1/2 延时时间内,主电路电源电压恢复到 85%Ue 及以上时,断路器不断开。
◇ 欠电压脱扣器

特性
| 额定工作电压 Ue(V) |
AC400 |
AC230 |
| 动作电压 (V) |
(0.35~0.7)Ue |
|
| 可靠合闸电压 (V) |
(0.85~1.1)Ue |
|
| 可靠不能合闸电压 (V) |
≤ 0.35Ue |
|
| 功耗 |
24VA |
|
◇ 贮能结束后,合闸电磁铁能使操作机构的贮能弹簧力瞬间释放,使断路器快速闭合。
◇ 合闸电磁铁

特性
| 额定控制电源电压 Us(V) |
AC400 |
AC230 |
DC220 |
DC110 |
| 动作电压 (V) |
(0.85~1.1)Us |
|||
| 瞬时电流 (A) |
0.7 |
1.3 |
1.3 |
1.3 |
| 合闸时间 |
不大于 70ms |
|||
◇ 可远距离操纵使断路器断开
◇ 分励脱扣器
特性
| 额定控制电源电压 Us(V) |
AC400 |
AC230 |
DC220 |
DC110 |
| 动作电压 (V) |
(0.7~1.1)Us |
|||
| 瞬时电流 (A) |
0.7 |
1.3 |
1.3 |
2.5A |
| 合闸时间 |
不大于 30ms |
|||
◇ 电动操作机构
断路器具有电动机贮能及自动再贮能功能;
断路器也可手动贮能。
特性
| 额定控制电源电压 Us(V) |
AC400 |
AC230 |
DC220 |
DC110 |
| 动作电压 (V) |
(0.85~1.1)Us |
|||
| 功耗 |
85VA,110VA,150VA |
85W,110W,150W |
||
| 贮能时间 |
不大于 5s |
|||
◇ 辅助触头

额定值
| 额定电压 (V) |
约定发热电流 lth(A) |
额定控制容置 |
|
| AC |
230 |
6 |
300VA |
| 400 |
|||
| DC |
220 |
60W |
|
| 110 |
|||
注:辅助触头标准型式默认为 4 组转换触头,特殊型式为 4 常开 4 常闭、5 常开 5 常闭、6 常开 6 常闭、常开 3 常闭。
机械附件
◇ “分闸”锁定装置

“分闸”锁定装置可将断路器(抽屉式或固定式)的断开按钮锁定在按下位置上,此时,断路器不能进行闭合操作;
用户选装后,工厂提供锁和钥匙
一台断路器配独立的锁和钥匙;
二台断路器配二把相同的锁和一把钥匙;
三台断路器配三把相同的锁和二把相同的钥匙;
五台断路器五把锁和三把钥匙 (A 钥匙可操作 A、AB 锁;B 钥匙操作 AB、B、BC 锁;C 钥匙可操作 BC、C 锁 )
◇ 抽屉式断路器“分离”位置锁定挂器
抽屉式断路器处于“分离”位置时,可拔出锁杆用挂锁来锁定,锁定后断路器无法摇至“试验”或“连接”位置;
挂锁用户自备。
◇ “按钮”锁定锁定

“按钮”锁定装置可将按钮锁定,此时,断路器不能进行手动“分”、“合”操作。
挂锁用户自备。
◇ 两台平放抽屉式断路器的钢缆联锁或两台叠装抽屉式断路器的联杆联锁
(联杆联锁的底板开孔尺寸参见三台断路器的开孔尺寸)
三台叠装抽屉式断路器的联杆联锁

外形尺寸及安装尺寸
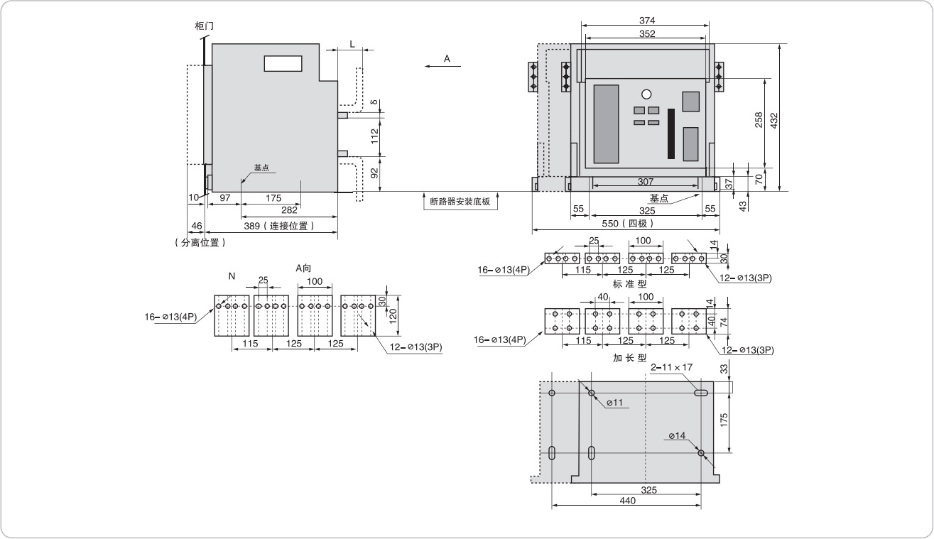
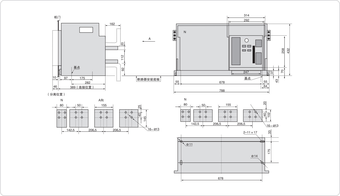
◇ CZW1-2000 外形及安装尺寸图(抽屉式)

◇ CZW1-2000 外形及安装尺寸图(固定式)

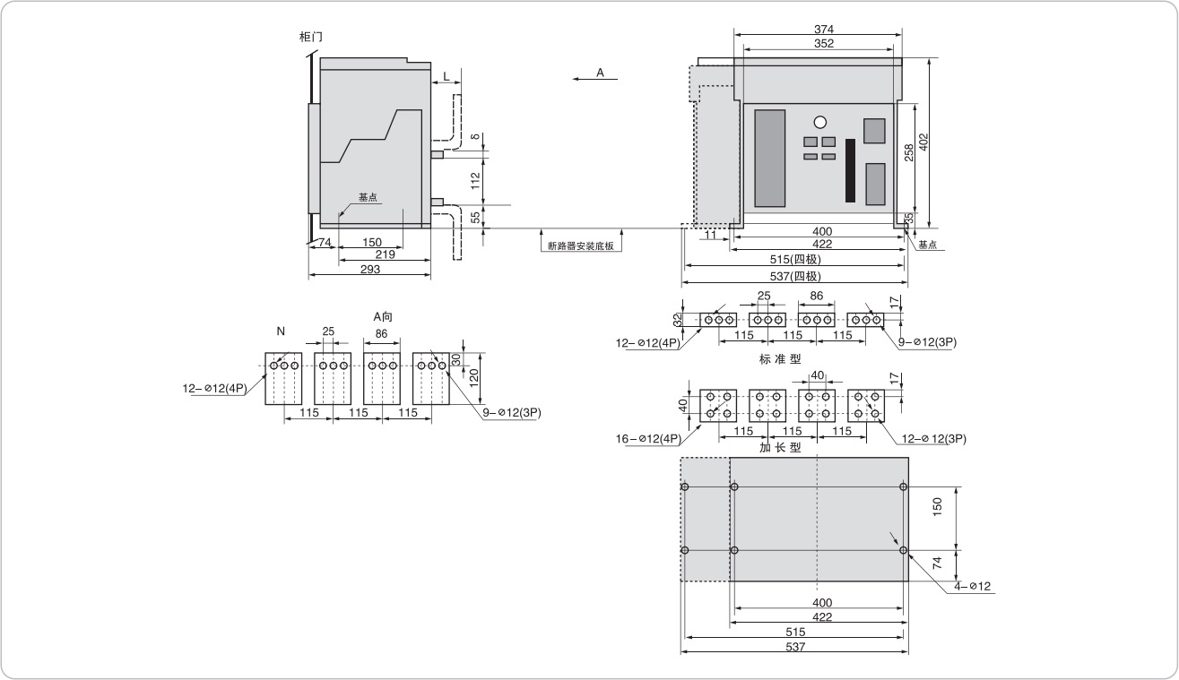
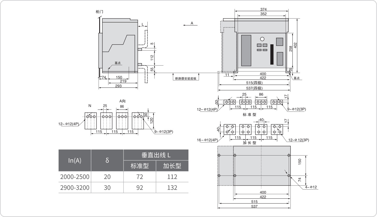
◇ CZW1-3200 外形及安装尺寸图(抽屉式)

◇ CZW1-3200 外形及安装尺寸图(固定式)
◇ CZW1-4000/3 外形及安装尺寸图(抽屉式)
◇ CZW1-4000/4 外形及安装尺寸图(抽屉式)
◇ CZW1-6300(In=4000A,5000A) 外形及安装尺寸图(抽屉式)

◇ CZW1-6300(In=6300A,3P) 外形及安装尺寸图(抽屉式)
◇ CZW1-6300(In=6300A,4P) 外形及安装尺寸图(抽屉式)
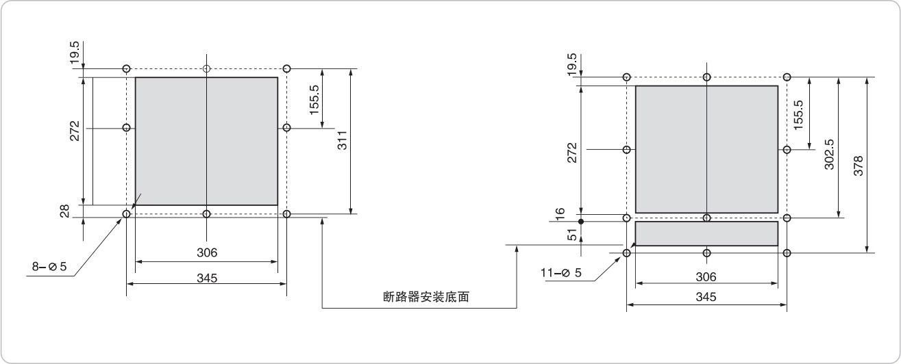
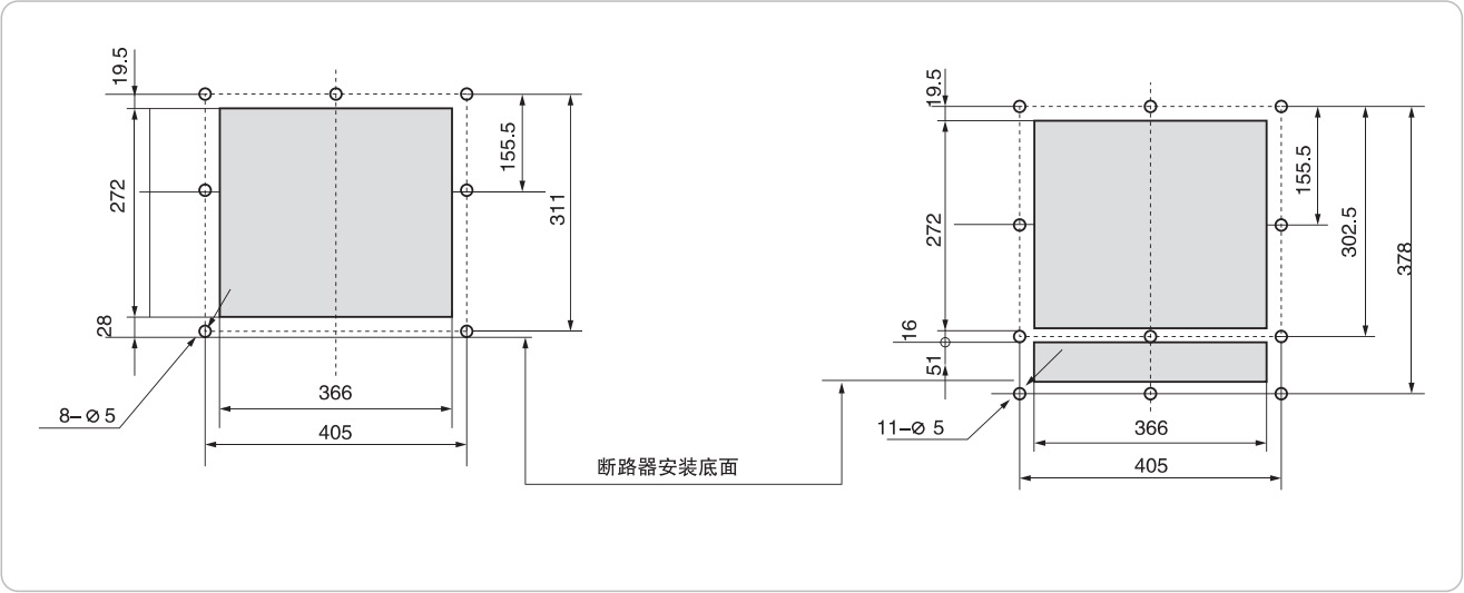
断路器门框孔尺寸
◇ CZW1-2000、CZW1-4000/4 门框尺寸及安装、孔距图

◇ CZW1-3200-6300(4000/4 除外 ) 门框尺寸及安装、孔距图

安装使用
断路器安装使用
◇ 安装前先检查断路器的规格是否符合订货娶求。并以 1000v 兆欧表检查断路器绝缘电阻,在周围介质温度 20±5℃和相对湿度 50%-70%应不小于 10MΩ。
◇ 安装完毕,并按有关接线图接妥二次线后,对抽屉式断路器应抽出两侧导轨,将断路器本体可靠放入导轨中,推动断路器本体至分离位置,将摇手柄插入进出装置孔内,顺时针摇动手柄至试验位置,应进行下列操作试验。
(a) 检查欠电压脱扣器、分励脱扣器、合闸电磁铁、电动贮能机构及智能型控制器,外接辅助电源的额定电压与所接电源电压是否相符。然后接通二次回路(此时欠电压脱扣器应吸合)。
(b) 断路器贮能分手动及电动两种。对手动贮能需上下扳动面板上手柄直听到。“咔嗒”声,面板上显示“贮能”.即贮能结束。对电动贮能机构操作.亦听到“咔嗒”声,面板上显示“贮能”即贮能结束。
此时按“I”按钮或用合闸电磁铁通电,均可使断路器可靠闭合,电动贮能操作机构自动再贮能。
(c) 断路器闭合后.无论用欠电压脱扣器、分励脱扣器、面板上的“○”按钮或智能型控制器的脱扣试验。均应使断路器断开。
◇ 按上述操作试验过后,使用摇手柄继续顺时针转动,推进过程断路器自动脱扣处于分断状态,当断路器本体与抽屉座完全接通后,听到两声“嗒嗒“响,摇手柄指示在“连接”位置,此时断路器处于待工作状态。
警告:强干扰源远离断路器 1000mm 以上。
◇ 配 2M、2H 智能控制器的断路器二次回路接线图(辅助开关由四组转换触头组成)
◇ 配 2M、2H 智能型控制器的断路器二次回路接线图(辅助开关由四常开四常闭触头组成)
◇ 配 2M、2H 智能型控制器的断路器二次回路接线图(辅助开关由二常开六常闭触头组成)
◇ H 型智能控制器二次回路接线图
◇ 单路受电操作回路
◇ 双路受电自投操作回路
外形尺寸及安装尺寸