产品概述:
随着社会的不断发展进步,我国城市电网发生了巨大变化,大多数城市已经形成或正在形成用电负荷密集区。过去那种从变电站12/24kV 线路(或分支线路)到直接用户端的供电已难以满足城市发展的要求,因此产生了一种新的,通过开闭所供电方式。 XGN □ -12(V、C、F、PT)/T630-25 一、二次融合成套环网箱(开闭所)、站所终端是响应国家电网标准《配电一、二次成套设备技术标准》要求推出的智能型成套设备,融合电磁式电压,电流互感器,电能计量模块,高速故障暂态波形等先进技术的成套设备。 其由环进、出单元,馈线单元,母线设备(PT)单元,集中式 DTU 及连接电缆组成,能够采集有功功率,无功功率,功率因数,频率,零序电流和零序电压,具备线损计量、电能计量,以及线路有压鉴别,电压越限,负荷越限等告警上送,短路故障检测与处理,单相接地故障检测与处理功能,支持短路 / 接地故障事件上送,以满足配网自动化需求。主要功能
在传统的DTU功能基础上增加了计量级的配电线损采集功能,优化了小电流接地故障的判断及定位功能,提高采样频率,使得故障录波的波形更加接近真实波形。
● 线损采集功能
采用配电线损采集模块实现间隔电能量采集功能,实时计量线路上的电能量数据,包括正反有功电量和四象限无功电量计算,从而实现双向计量分功能,并支持定位功能。
● 小电流接地故障判断和定位功能
通过对相电流互感器及零序电流互感器数据分析采集,控制单元对这些特征量通过多种算法进行判别,从而精确的定位故障发生的区域。
● 故障录波功能
通过每周波128点的采样,并完整记录故障前4个周波和故障后8个周波的各通道波形,以及位置等遥信信息,上送至主站分析故障产生的原因,并支持64条故障录波的循环存储。
产品功能特性
● 适应馈线自动化要求,控制器以线路电压为判据;
● 通过延时合闸与变电站保护配合,实现就地故障处理,不需要蓄电池,不依赖通信和主站,可实现完整的馈线自动化终端功能;
● 设计上摒弃了蓄电池等需维护器件所带来的系统可能不稳定的可能;
● 清晰配网自动化系统功能操作方便;
● 采用频繁操作型负荷开关/断路器以满足配电配网自动化经济运作要求;
● 采用SF6绝缘负荷开关或真空断路器,实现SF6灭弧或绝缘;
● 三相共箱式布置,电缆浇制或压制出线,全密封机构,军品级航空接口,整体全密封技术保证,使之产品耐候性强,抗凝露性能好,至少15年免维护;
● 密封性能可靠,IP67防护等级,成熟壳体密封技术,采用工装模具一次成型技术,机械强度高,箱体气密性好;
● 内置隔离断口与真空灭弧室串联异步联动,开关分、合能力好,安全性强;
● 具有免维护特性,负荷开关/柱上断路器主回路,二次回路,操作机构均密封在SF6气体中,不受外部环境影响,性能稳定,可靠,免维护。
主要特点
● 采用电压时间型电磁机构或常规弹簧机构;
● 具备常规保护,电压电流型、分散智能型FA功能;
● 采用“集中分散”式控制终端,直观易用;
● 采用VT电子式电压传感技术;
● 隔离刀与真空灭弧室联动;
● 超级电容后备电源,全生命周期性维护;
● 断路器/负荷开关任意组合柜,灵活方便。
产品使用环境条件及使用范围
(1)环境条件
● 最高/低环境温度:-25℃~ +40℃;
● 最大温差:25K;
● 海拔高度:≤ 1000 m;
● 相对湿度:日平均值≤ 95 %,月平均值≤ 90 %;
● 耐震能力:地面水平加速度0.2g,垂直加速度0.1g;
● 用于通过小电阻接地,或经消弧线圈接地的12kV系统中;
● 安装场所应无严重影响负荷开关/断路器的绝缘强度的气体蒸汽,化学性沉积,灰尘污秽及其它爆炸和腐蚀介质中。
(2)使用范围
● 广泛用于城市电网改造,住宅小区,商业中心等城市人口密集区。
主要技术参数
| 名称 | 参数 | |
| 控制终端部分 | ||
| 工作电源 | AC220±20%,50Hz | |
| 整机功耗 | ≤15VA | |
| 工作环境 | 运行温度 | -40~70℃ |
| 湿度 | < 95%,无凝结 | |
| 遥测输入 | 测量精度 | U,I:0.5 级;P,Q:1 级;F:0.01 级 |
| 线性范围 | 电压:0~300V;电流:0~100 A | |
| 遥信输入 | 遥信电源 | DC24V |
| 分辨率 | ≤2 ms | |
| 标配容量 | 2 个 | |
| 遥控输出 | 输出方式 | 功率继电器 |
| 接点容量 | AC250V/16A;DC48V/10A;DC30V/16A | |
| 标配容量 | 1组 合 / 分 | |
| 通信方式 | 接口类型 | 4 个 RA232/CZ485 串口;2 个 10/100Mb 网口 |
| 通信规约 | 支持 IEC60870-5-101,IEC60870-5-104 | |
| 一次开关部分 | ||
| 电磁兼容 | 满足 DL/T721 电力行业标准Ⅳ级 | |
| 额定开断电流 | 20kA | |
| 额定耐受电流(峰值) | 50kA | |
| 额定短时耐受电流 | 20kA | |
| 额定短时关合电流(峰值) | 50kA | |
| 额定短路开断次数 | 30 次 | |
| 机械寿命 | 10000 次 | |
| 三相分闸不同期 | ≤2ms | |
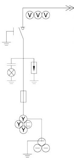
| 方案号 | 01 | 02 | 03 | 04 | |||||
| 母线规格:630A |
|
|
|
|
|||||
| 一次额定电压:12kV | |||||||||
| 二次额定电压:DC48V | |||||||||
| 环网柜一次方案接线图 | |||||||||
| 开关柜编号 | AH1 | AH2 | AH3 | ||||||
| 开关柜用途 | DTU 柜 | 母线 PT 单元 | 负荷开关单元 | 断路器单元 | |||||
|
电 气 主 要 设 备 元 件 |
负荷开关(三工位) | FLN □ 12/630A | 1 台 | FLN □ 12/630A | 1 台 | ||||
| 断路器 | ZN □ 12/630A | 1台 | |||||||
| 隔离 / 接地开关 | 20kA | 1 台 | 20kA | 1 台 | 20kA | 1台 | |||
| 操作机构 | 手动 | 1 台 | 手动 / 电动 DC48V | 1 台 | 手动 / 电动 DC48V | 1组 | |||
| 电压互感器 | 1 台 | ||||||||
| 电流互感器 | |||||||||
| 零序电流互感器 | 10/√3 0.1/√3 0.22/√3 0.1/3kV 30/300/30VA | 600/1 0.5S(5P10)5VA | 3 只 | 600/1 0.5S(5P10)5VA | 3只 | ||||
| 熔断器 | XRNP-0.5A/50kA | 3 只 | |||||||
| 带电显示器 | DXN8D-12/T45 | 1 只 | DXN8D-12/T4S | 1只 | DXN8D-12/T4S | 1只 | |||
| 配网自动化终端 | 75C68J | 1 套 | |||||||
| 电流表 | 600/1 | 3只 | 600/1 | 3只 | |||||
| 电压表 | 99T1-A 10/0.1kV | 3 只 | |||||||